Halsey Taylor HTHBHVR8-NF | Wall-mounted Bottle Filling Station | Filterless, Refrigerated, Vandal-resistant, Stainless Steel color finish
Halsey Taylor HTHBHVR8-NF | Wall-mounted Bottle Filling Station | Filterless, Refrigerated, Vandal-resistant, Stainless Steel color finish is backordered and will ship as soon as it is back in stock.
Couldn't load pickup availability
Product Care Information
Product Care Information
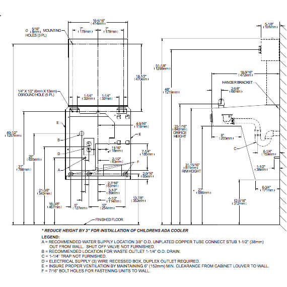
Installation
- Elkay & Halsey Taylor Bottle Filling Stations require installation from a licensed plumber. Email us at support@bottlefillingstations.com, and we can see if our network of service professionals cover your area.
- Requires access to electrical connection.
- Product also includes physical copy of installation instructions in package.
ezH2O Installation Video:
Maintenance
It is recommended to routinely clean your Bottle Filling Station with a soft cloth and mild dishwashing soap to spray and wipe down the unit. It is also recommended to clean the flexible fill mat. Remove the four screws to wipe beneath and on top of the mat.
ezH2O Maintenance Video:Filter Replacement
When filter status light turns to red, the filter needs to be changed. Here are some detailed instructions.
ezH20 Filter Change Video:
The Halsey Taylor HTHBHVR8-NF is a HydroBoost high-efficiency, vandal-resistant bottle filling station and bi-level cooler designed for indoor use with filterless and refrigerated water for high-traffic areas. This versatile unit combines a rapid bottle filler with two drinking fountains at different heights, offering a sustainable hydration solution that promotes accessibility and reduces plastic waste while ensuring durability in demanding environments.
Key Specifications:
- Bi-Level Design: Features a bottle filler and two drinking fountains at different heights, ensuring ADA compliance and accessibility for all users.
- Vandal-Resistant Construction: Built with heavy-gauge stainless steel and vandal-resistant components to withstand high-traffic, demanding environments.
- Energy Efficiency: Equipped with a hermetically sealed, reciprocating compressor that uses R-134a refrigerant, delivering 8 GPH of 50°F water.
- Filtration Ready: Designed to accommodate optional WaterSentry Plus filtration system for improved water quality.
Features & Benefits:
- Enhanced Hydration Access: Combines a bottle filler with traditional drinking fountains, catering to diverse user preferences and promoting increased water consumption.
- Environmental Impact: Encourages the use of refillable water bottles, helping to reduce plastic waste and promote sustainability in various institutional settings.
- Hygienic Operation: Features a hands-free bottle filler activation and antimicrobial surface protection, minimizing the spread of germs in high-traffic areas.
- User-Friendly Interface: Includes a Green Counter to inform users of the number of 20 oz. plastic water bottles saved from waste, visually reinforcing the positive environmental impact.
- Versatile Installation: Can be mounted on most walls with adequate strength, making it suitable for a wide range of indoor locations.
What's Included:
- Halsey Taylor HTHBHVR8-NF Bottle Filling Station and Bi-Level Cooler Unit
- Mounting frame and hardware for installation
- User manual and installation guide
- Vandal-resistant bubbler heads
- Limited 5-year warranty documentation
FAQ
Q: Is the Halsey Taylor HTHBHVR8-NF suitable for outdoor installation?
A: The HTHBHVR8-NF is designed specifically for indoor use. For outdoor applications, Halsey Taylor offers other models that are built to withstand external environmental conditions. Always choose a unit that matches your intended installation environment for optimal performance and longevity.
Q: How often should the optional WaterSentry Plus filter be replaced?
A: If you choose to install the optional WaterSentry Plus filtration system, it's recommended to replace the filter after 3,000 gallons of use or one year, whichever comes first. Regular filter changes ensure optimal water quality and maintain the unit's performance.
Q: Can the bottle filler and drinking fountains be used simultaneously?
A: Yes, the Halsey Taylor HTHBHVR8-NF is designed to allow simultaneous use of the bottle filler and drinking fountains. This feature helps reduce wait times and improves accessibility in high-traffic areas.
Detailed Features & Benefits
Vandal-Resistant Design: The HTHBHVR8-NF's vandal-resistant construction is a standout feature that sets it apart in demanding environments. Built with heavy-gauge stainless steel and equipped with vandal-resistant components, this unit is engineered to withstand the rigors of high-traffic areas such as schools, sports facilities, and public spaces. The vandal-resistant bubbler heads are designed to resist tampering and breakage, while the stainless steel exterior not only provides durability but also maintains an attractive appearance over time. This robust construction ensures a longer lifespan for the unit, reducing replacement costs and downtime, and making it an ideal choice for facilities that require a balance of durability and functionality.
Eco-Friendly Operation: The Halsey Taylor HTHBHVR8-NF goes beyond just providing water – it actively promotes environmental consciousness. The unit's Green Ticker™ is more than just a counter; it's a visual reminder of the positive impact users are making by choosing reusable bottles. By displaying the number of disposable plastic bottles saved from waste, it encourages continued use of the bottle filling station and helps create a culture of sustainability within the facility. This feature is particularly valuable in educational settings, where it can serve as a teaching tool about environmental responsibility. Additionally, the energy-efficient cooling system, which uses R-134a refrigerant, ensures that the unit maintains its eco-friendly status not just through water conservation but also through responsible energy use.
NOTICE: Do not use with water that is unsafe or of unknown quality without adequate disinfection either before or after the system.
"Hydrate Everyone, Everywhere!" BottleFillingStations.com | Contact us now
*FREE SHIPPING ON ALL ORDERS IN THE CONTINENTAL U.S. Limited time only!!
____________
UNITED STATES
Water filters and hand dryers ship free regardless of order size.
All orders in Continental U.S. over $7,000 qualify for FREE Shipping.
Exceptions may apply to islands and other remote territories.
All orders shipped by the carrier of our choice.
Estimated Shipping Time
All in stock orders received before 3PM EST will ship the same day. Orders received after 3PM will ship the following business day.
Water filters, hand dryers and indoor bottle fillers are our most popular in stock items.
Outdoor Tubular Drinking Fountains. - Evergreen normally ships in 5-15 days. Black, Gray and Blue ship in 2-4 weeks.
Please contact support@bottlefillingstations.com to confirm delivery time for a specific product or quantity.
Standard shipping
Standard shipping rates DO NOT include inside delivery and/or lift gate services. By selecting Standard Shipping, you are hereby declining these extra services.
*Note: If you are a school, and you select Standard Shipping, you are hereby declaring that you either have a receiving dock for deliveries, or you are able to get the package off of the truck yourself. Appointment required for all school deliveries.
Premium shipping
Premium shipping rates DO include inside delivery and/or lift gate services. Premium shipping is only available for freight deliveries (those that have refrigerated units, or some very large orders without refrigerated units).
**Note: If Standard Shipping is selected at time of purchase, and inside delivery is requested of the carrier by the consignee at time of delivery, an additional fee will be charged, and the consignee will be responsible.
Rates
Shipping fees vary depending on the state and order size. Standard shipping rates are described below.
*Premium shipping is also available on freight deliveries (those with refrigerated units, or some very large non-refrigerated orders). Premium rates are an extra $65 in addition to the Standard rate, and include inside delivery and lift gate service.
Please note that shipping rates are subject to change at any time. We reserve the right to charge an additional fee in addition to the regularly advertised shipping fee for shipping to remote areas not easily accessible by typical freight carrier means (i.e. islands only accessible by ferry). If your order falls into this category, you will be notified upon receipt of your order, and have the option to complete the purchase with additional fee or to cancel the order. Please note, these instances are very rare, as most locations are reachable by regular freight. If you have any questions, please contact us!

