Elkay MLP200 | Bi-Level In-Wall Carrier | For Elkay EZ, LZ, EMABF, LMABF, VRC, LVRC series
Elkay MLP200 | Bi-Level In-Wall Carrier | For Elkay EZ, LZ, EMABF, LMABF, VRC, LVRC series is backordered and will ship as soon as it is back in stock.
Couldn't load pickup availability
                    
                      
Product Care Information
                      
                    
                  
                  Product Care Information
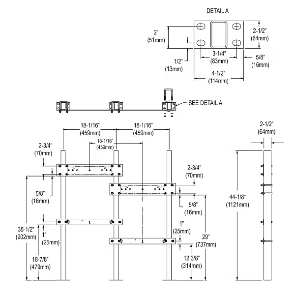
The Elkay MLP200 is a heavy-duty in-wall mounting carrier designed to support bi-level on-wall bottle fillers, coolers, and drinking fountains. Built for strength and flexibility, this galvanized steel system provides secure anchoring behind finished walls, making it ideal for installations requiring ADA compliance or added structural support.
Key Specifications:
- Material: Galvanized Steel
 - Finish: Black (BK)
 - Dimensions: 38-1/2" W × 2-11/16" D × 44-1/8" H
 - Weight Capacity: Supports up to 500 lbs
 - Shipping Weight: 54 lbs
 
Features & Benefits:
- Universal Compatibility: Designed for bi-level on-wall Elkay models including EZ, LZ, EMABF, LMABF, VRC, and LVRC series
 - ADA Ready: Adjustable height settings allow for adult or child ADA-compliant installations
 - Compact Installation: Fits inside standard 2" × 4" wall cavities
 - Secure Anchoring: Mounts directly to load-bearing surfaces for long-term stability
 - Made in the USA: Built with quality and durability in mind
 
What's Included:
- Elkay MLP200 Mounting Carrier Assembly
 - Upper and Lower Mounting Plates
 - Support Columns, U-bolts, threaded rods, washers, and nuts
 - Installation Instructions (PDF: 98370C)
 
Compatible Fixtures:
- EZ-TL, LZ-TL, EMABF-TL, LMABF-TL, VRC-TL, LVRC-TL, HAC-BL, HTVZ-BL, HVR-BL
 
FAQ
Q: Can the MLP200 be installed in a 2x4 wall?
A: Yes. The carrier system is designed to fit inside standard 2" × 4" wall framing, making it suitable for most indoor installations.
Q: Is this carrier compatible with ADA installations?
A: Absolutely. The adjustable height settings allow for both adult and child ADA-compliant mounting configurations.
Q: Does the MLP200 include all necessary hardware?
A: Yes. The kit includes mounting plates, support columns, U-bolts, threaded rods, washers, and nuts. Installation instructions are also provided.
Detailed Features & Benefits
Structural Support for Bi-Level Fixtures: The MLP200 is engineered to reinforce wall-mounted bi-level bottle fillers and coolers, especially in high-traffic or public environments. Its galvanized steel frame anchors securely to load-bearing surfaces, ensuring long-term stability and reducing strain on wall finishes.
Flexible and ADA-Friendly Installation: With adjustable mounting heights, the carrier accommodates both standard and ADA-compliant fixture placements. This flexibility makes it ideal for schools, parks, and commercial buildings where accessibility is a priority.
Complete Hardware Kit: The included mounting plates, support columns, and fasteners simplify installation and ensure compatibility with a wide range of Elkay bi-level models. The system is designed for behind-the-wall installation, preserving the clean look of the finished surface.
NOTICE: All service must be performed by an authorized technician. Always verify compatibility with your specific Elkay fixture model before installation.
"Hydrate Everyone, Everywhere!" BottleFillingStations.com | Contact us now
*FREE SHIPPING ON ALL ORDERS IN THE CONTINENTAL U.S. Limited time only!!
____________
UNITED STATES
Water filters and hand dryers ship free regardless of order size.
All orders in Continental U.S. over $7,000 qualify for FREE Shipping.
Exceptions may apply to islands and other remote territories.
All orders shipped by the carrier of our choice.
Estimated Shipping Time
All in stock orders received before 3PM EST will ship the same day. Orders received after 3PM will ship the following business day.
Water filters, hand dryers and indoor bottle fillers are our most popular in stock items.
Outdoor Tubular Drinking Fountains. - Evergreen normally ships in 5-15 days. Black, Gray and Blue ship in 2-4 weeks.
Please contact support@bottlefillingstations.com to confirm delivery time for a specific product or quantity.
Standard shipping
Standard shipping rates DO NOT include inside delivery and/or lift gate services. By selecting Standard Shipping, you are hereby declining these extra services.
*Note: If you are a school, and you select Standard Shipping, you are hereby declaring that you either have a receiving dock for deliveries, or you are able to get the package off of the truck yourself. Appointment required for all school deliveries.
Premium shipping
Premium shipping rates DO include inside delivery and/or lift gate services. Premium shipping is only available for freight deliveries (those that have refrigerated units, or some very large orders without refrigerated units).
**Note: If Standard Shipping is selected at time of purchase, and inside delivery is requested of the carrier by the consignee at time of delivery, an additional fee will be charged, and the consignee will be responsible.
Rates
Shipping fees vary depending on the state and order size. Standard shipping rates are described below.
*Premium shipping is also available on freight deliveries (those with refrigerated units, or some very large non-refrigerated orders). Premium rates are an extra $65 in addition to the Standard rate, and include inside delivery and lift gate service.
Please note that shipping rates are subject to change at any time. We reserve the right to charge an additional fee in addition to the regularly advertised shipping fee for shipping to remote areas not easily accessible by typical freight carrier means (i.e. islands only accessible by ferry). If your order falls into this category, you will be notified upon receipt of your order, and have the option to complete the purchase with additional fee or to cancel the order. Please note, these instances are very rare, as most locations are reachable by regular freight. If you have any questions, please contact us!

      